Go Home

Prüfgerät PG 131

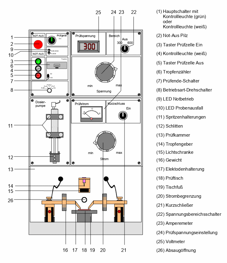
CTI-Pruefgeraet PG1xx